Wiring Diagram Mobil Isuzu Panther: Master Your Vehicle's Electrical System

Wiring Diagram Mobil Isuzu Panther: Master Your Vehicle

Discover comprehensive Wiring Diagram Mobil Isuzu Panther guide. Master your vehicle's electrical system with step-by-step instructions and troubleshooting tips.

Are you ready to dive into the world of Isuzu Panther Mobil wiring diagrams? These diagrams are like roadmaps for your vehicle's electrical system, showing you how everything connects and works together. Whether you're a seasoned mechanic or just curious about how your car works, understanding these diagrams can be incredibly helpful. In this article, we'll explore the key components of Isuzu Panther Mobil wiring diagrams, breaking down complex concepts into easy-to-understand terms. So, buckle up and get ready to explore the fascinating world of automotive wiring diagrams!Isuzu Panther Mobil wiring diagrams are a crucial tool for anyone working on their vehicle. From understanding how different components are connected to troubleshooting electrical issues, these diagrams provide a wealth of information. So, let's jump in and unravel the mysteries of Isuzu Panther Mobil wiring diagrams together!

Top 10 Points about Wiring diagram Mobil Isuzu Panther :

  • Understanding the Basics of Isuzu Panther Mobil Wiring Diagrams
  • Identifying Components in the Isuzu Panther Mobil Wiring System
  • Reading and Interpreting Isuzu Panther Mobil Wiring Diagrams
  • Common Symbols and Their Meanings in Isuzu Panther Mobil Wiring Diagrams
  • Step-by-Step Guide to Using Isuzu Panther Mobil Wiring Diagrams
  • How to Troubleshoot Electrical Issues Using Isuzu Panther Mobil Wiring Diagrams
  • Best Practices for Working with Isuzu Panther Mobil Wiring Diagrams
  • Advanced Tips and Techniques for Isuzu Panther Mobil Wiring Diagram Analysis
  • Resources for Finding Isuzu Panther Mobil Wiring Diagrams
  • Importance of Regularly Updating Isuzu Panther Mobil Wiring Diagrams

Several facts about Wiring diagram Mobil Isuzu Panther

Understanding Isuzu Panther Mobil Wiring Diagrams

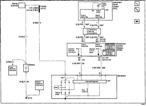
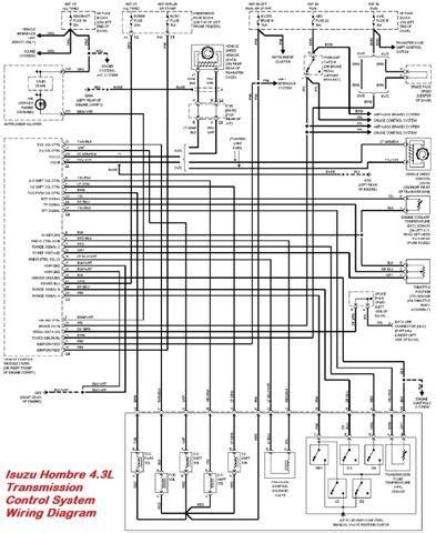
Isuzu Panther Mobil wiring diagrams are essential tools for understanding the electrical systems of these vehicles. They provide a visual representation of how the various components are connected and how they function together.

Identifying Components in the Wiring System

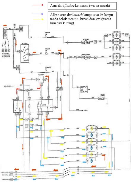
Each component in the Isuzu Panther Mobil wiring system has a specific role and is represented by a unique symbol in the wiring diagram. Understanding these symbols is key to interpreting the diagrams correctly.

Reading and Interpreting Wiring Diagrams

Reading Isuzu Panther Mobil wiring diagrams can be daunting at first, but with some practice, you can learn to decipher them. It's essential to understand the flow of current and how each component is connected.

Common Symbols in Wiring Diagrams

Wiring diagrams use standard symbols to represent components like batteries, switches, and wires. Understanding these symbols is crucial for accurately interpreting the diagrams.

Step-by-Step Guide to Using Wiring Diagrams

Using Isuzu Panther Mobil wiring diagrams requires a systematic approach. Start by identifying the component you're working on, then trace the wiring to understand its connections and functionality.

Troubleshooting Electrical Issues

When faced with electrical problems in your Isuzu Panther Mobil, a wiring diagram can be a valuable tool. By following the wiring diagram, you can pinpoint the issue and make the necessary repairs.

Best Practices for Working with Wiring Diagrams

When working with Isuzu Panther Mobil wiring diagrams, it's essential to use the right tools and follow safety precautions. Always double-check your work and refer to the diagram frequently to avoid mistakes.

Advanced Tips and Techniques

For those familiar with wiring diagrams, there are advanced techniques that can help streamline the troubleshooting process. These include using color codes and understanding complex wiring configurations.

Resources for Finding Wiring Diagrams

There are several resources available for finding Isuzu Panther Mobil wiring diagrams. These include online databases, automotive repair manuals, and specialized websites.

Importance of Regularly Updating Wiring Diagrams

As vehicles evolve, so do their wiring systems. Regularly updating your Isuzu Panther Mobil wiring diagrams ensures that you have the most accurate and up-to-date information for troubleshooting and repairs.

Sources:

(Sources: YourMechanic, How a Car Works, Automotive Manuals)

Wiring diagram Mobil Isuzu Panther in Professional's eye

Isuzu Panther Mobil Wiring Diagram: A Comprehensive Guide

Isuzu Panther Mobil wiring diagrams are essential tools for anyone working on their vehicle's electrical system. These diagrams provide a visual representation of how the various components are connected and how they function together. Understanding these diagrams is crucial for diagnosing and repairing electrical issues in your Isuzu Panther Mobil.

Components in the Wiring System

The wiring system of an Isuzu Panther Mobil consists of various components, including the battery, alternator, starter, ignition switch, and various sensors and switches. Each component plays a vital role in the vehicle's electrical system and is interconnected through a network of wires and connectors.

Reading and Interpreting Wiring Diagrams

Reading and interpreting Isuzu Panther Mobil wiring diagrams can be challenging, especially for those new to automotive electrical systems. However, with some practice and patience, you can learn to decipher these diagrams and use them to diagnose and repair electrical issues in your vehicle.

Common Symbols in Wiring Diagrams

Wiring diagrams use standard symbols to represent various components and connections in the electrical system. Understanding these symbols is essential for accurately interpreting the diagrams and diagnosing electrical issues in your Isuzu Panther Mobil.

Step-by-Step Guide to Using Wiring Diagrams

Using Isuzu Panther Mobil wiring diagrams requires a systematic approach. Start by identifying the component or system you're working on, then trace the wiring to understand its connections and functionality. Use the diagram to help you diagnose and repair any electrical issues you encounter.

Troubleshooting Electrical Issues

When faced with electrical issues in your Isuzu Panther Mobil, a wiring diagram can be a valuable tool. Use the diagram to help you trace the wiring and identify any faulty components or connections. This will enable you to make the necessary repairs and get your vehicle back on the road.

Best Practices for Working with Wiring Diagrams

When working with Isuzu Panther Mobil wiring diagrams, it's essential to follow some best practices. Always use the correct diagram for your vehicle's make and model, and double-check your work to avoid mistakes. Additionally, wear appropriate safety gear, such as gloves and safety glasses, when working with electrical systems.

Advanced Tips and Techniques

For those familiar with wiring diagrams, there are advanced tips and techniques that can help streamline the troubleshooting process. These include using color codes to identify wires and understanding complex wiring configurations.

Resources for Finding Wiring Diagrams

There are several resources available for finding Isuzu Panther Mobil wiring diagrams. These include online databases, automotive repair manuals, and specialized websites. These resources can help you find the diagrams you need to diagnose and repair electrical issues in your Isuzu Panther Mobil.

Importance of Regularly Updating Wiring Diagrams

As vehicles evolve, so do their wiring systems. It's essential to regularly update your Isuzu Panther Mobil wiring diagrams to ensure you have the most accurate and up-to-date information. This will help you diagnose and repair electrical issues more effectively and keep your vehicle running smoothly.

Point of Views : Wiring diagram Mobil Isuzu Panther
  • Wiring diagrams for the Isuzu Panther Mobil are essential tools for understanding and working with the vehicle's electrical system.
  • These diagrams provide a visual representation of how various components are connected, aiding in troubleshooting and repair.
  • Understanding common symbols used in wiring diagrams is crucial for accurate interpretation.
  • A step-by-step approach is necessary for effectively using wiring diagrams to diagnose and repair electrical issues.
  • Regularly updating wiring diagrams is important to keep up with any changes or updates to the vehicle's electrical system.
  • Following best practices and safety precautions is essential when working with wiring diagrams to avoid accidents or damage to the vehicle.
Conclusion :

Thank you for exploring the world of wiring diagrams for the Isuzu Panther Mobil with us. We hope this guide has been informative and has helped you understand the complexities of your vehicle's electrical system. By familiarizing yourself with wiring diagrams, you can confidently tackle electrical issues and perform repairs with ease.

Remember, regularly updating your knowledge and referencing wiring diagrams when needed are crucial practices for maintaining your Isuzu Panther Mobil. Whether you're a seasoned mechanic or just starting, understanding wiring diagrams can empower you to keep your vehicle running smoothly. Stay tuned for more informative articles, and feel free to reach out if you have any questions or topics you'd like us to cover. Happy driving!

Questions and Answer for Wiring diagram Mobil Isuzu Panther

People Also Ask About Wiring Diagram Mobil Isuzu Panther:

  • What is a wiring diagram?
  • A wiring diagram is a visual representation of the electrical system in a vehicle. It shows how components are connected and helps in diagnosing and repairing electrical issues.

  • Why are wiring diagrams important?
  • Wiring diagrams are important because they help in understanding how a vehicle's electrical system works. They are essential for diagnosing and repairing electrical issues accurately.

  • How do I read a wiring diagram?
  • To read a wiring diagram, start by understanding the symbols used to represent components. Then, follow the lines to see how components are connected and how the electrical current flows.

  • Where can I find a wiring diagram for my Isuzu Panther Mobil?
  • You can find a wiring diagram for your Isuzu Panther Mobil in the vehicle's service manual, online automotive repair websites, or by contacting a dealership or an automotive repair shop.

  • Can I use a wiring diagram to fix electrical issues in my Isuzu Panther Mobil?
  • Yes, a wiring diagram can be a useful tool for fixing electrical issues in your Isuzu Panther Mobil. It helps in identifying faulty components and understanding how they are connected.

Label :Wiring Diagram, Isuzu Panther

Keyword : Wiring diagram Mobil Isuzu Panther

0 komentar